Olá, pessoal, tudo bem? Neste post, vamos revisar o conteúdo sobre trabalho da força elástica. No final, vamos resolver um exercício juntos para praticarmos. Acompanhe!
Trabalho da Força Elástica: como calcular?
O primeiro ponto que temos que revisar quando falamos de trabalho da força elástica é, na verdade, como fazer os cálculos de trabalho de força variável. Isso porque, como você deve se lembrar, a força elástica não é constante e, assim, temos:
- Fel = K . Δx
- Fel: força elástica (N).
- K: constante elástica (N/m).
- Δx: deformação sofrida pelo corpo elástico (m).
Note que, por essa força não ser constante, não podemos utilizar a fórmula para calcular o trabalho que estamos acostumados (τ = F . d . cosθ). Quando falamos do trabalho da força elástica, a fórmula pode ser outra (veja bem: pode!).
O cálculo do trabalho da força elástica pode ser calculado por:
- τFel = K . Δx² ÷ 2
No entanto, pode haver situações em que o trabalho da força elástica não seja calculado por essa fórmula. Um exemplo é quando é fornecido um gráfico que apresenta a força elástica em função da deformação da mola. Veja:

Repare, porém, que o gráfico da força elástica é uma reta que passa pela origem. Com isso, nos casos como o apresentado no gráfico, em que a mola estava relaxada no início (Δx = 0) e é pedido para calcular o trabalho em determinado ponto, não precisamos da fórmula, basta calcular a área da figura formada no gráfico:

Importante notar que, nesse exemplo, o cálculo pela área do gráfico vai dar o mesmo resultado que chegaríamos se utilizássemos a fórmula que vimos há pouco. Veja por que:

Repare que, ao aplicarmos a fórmula para calcular a área do triângulo (b . h ÷ 2), a altura e a base nos façam chegar à mesma equação do trabalho da força elástica (K . Δx² ÷ 2).
Porém, vale frisar novamente: não são em todos os casos que isso é possível. Um exemplo são os casos em que o cálculo pedido pela questão não considera que a mola não parte do relaxamento total, mas sim de algum ponto em que já ocorre alguma deformação. Veja:

Note que a imagem formada já não é mais um triângulo, mas sim um trapézio. Nesse caso, o trabalho da força elástica segue sendo numericamente igual à área da figura geométrica, mas já não é possível utilizar a fórmula que vimos.
Exercício resolvido
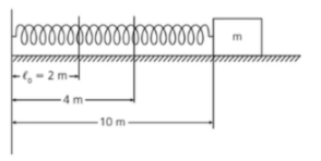
(FEI-SP) Um corpo de massa 10 kg é puxado por uma mola de constante elástica K = 100 N/m. O comprimento natural é ℓ0 = 2 m. Qual é o trabalho realizado pela força elástica para deslocar o corpo da posição ℓ = 10 m para a posição ℓ = 4 m?

a) 6000 J
b) 250 J
c) 3000 J
d) 500 J
e) 125 J
RESOLUÇÃO:
Para resolver essa questão, a melhor saída é construir um gráfico com as informações que nos foram fornecidas para vermos o que aconteceu com a força, pois o trabalho da força elástica será igual à área da figura do gráfico.
Perceba que o enunciado nos diz que o comprimento inicial da mola é 2 m e que o objeto encontra-se na posição de 10 m. Ou seja, a variação sofrida pela mola (nosso Δx) é igual a 8.
Por sua vez, quando o corpo estiver na segunda posição, a de 4 m, o Δx será igual a 2.
Assim, temos o seguinte gráfico:

Portanto, temos que calcular a força relativas às duas distâncias que nos foram fornecidas e que colocamos no gráfico:
- Fel = K . Δx
- F1 = 100 . 2
- F1 = 200 N
E agora:
- F2 = 100 . 8
- F2 = 800 N
Agora que temos os valores que precisávamos em nosso gráfico e foi formada a figura, sabemos que devemos calcular a área de um trapézio para descobrir o trabalho da força elástica. Assim, aplicando a fórmula para calcular essa área, temos:
- τFel = (B + b) ÷ 2 . h
- τFel = (800 + 200) ÷ 2 . 6
- τFel = 3000 J
RESPOSTA: C
Atenção: outra forma de resolver essa questão é utilizando duas vezes a fórmula de trabalho da força elástica que vimos no começo do conteúdo: τFel = K . Δx² ÷ 2.
Observe o gráfico mais uma vez:

Veja que temos dois triângulos retângulos: um grande, representado na cor cinza, e um pequeno, na cor azul claro (e que, na imagem, está sobrepondo um pedaço do triângulo maior). Dessa forma, basta utilizar nossa fórmula duas vezes, utilizando os valores do gráfico: para o triângulo grande, Δx = 8. Já para o triângulo pequeno, Δx = 2.
Ao fazer essas contas, bastaria subtrair os valores para obter o resultado do trabalho da força elástica. Afinal, seria como se estivéssemos subtraindo a área do pequeno triângulo azul do grande triângulo cinza, resultando em um trapézio.
E se quiser ajuda para melhorar seu nível de Física em outras matérias, entre em contato comigo e escolha o curso de Física mais adequado para você!

SAIBA MAIS
✅ Questões de Cinemática resolvidas em vídeo
✅ Conceitos básicos de Cinemática: Equação do espaço em função do tempo
✅ Tudo sobre Cinemática: Revisão das principais questões dos vestibulares Paulista
Me acompanhe nas redes sociais: curta a minha página no Facebook, me siga no Instagram, se inscreva no Youtube e participe do meu canal oficial no Telegram.
